歡迎致電:153-1256-1575
江蘇丹港機械制造有限公司
Jiangsu Dangang Machinery Manufacturing Co., Ltd
產品展示
PRODUCT DISPLAY

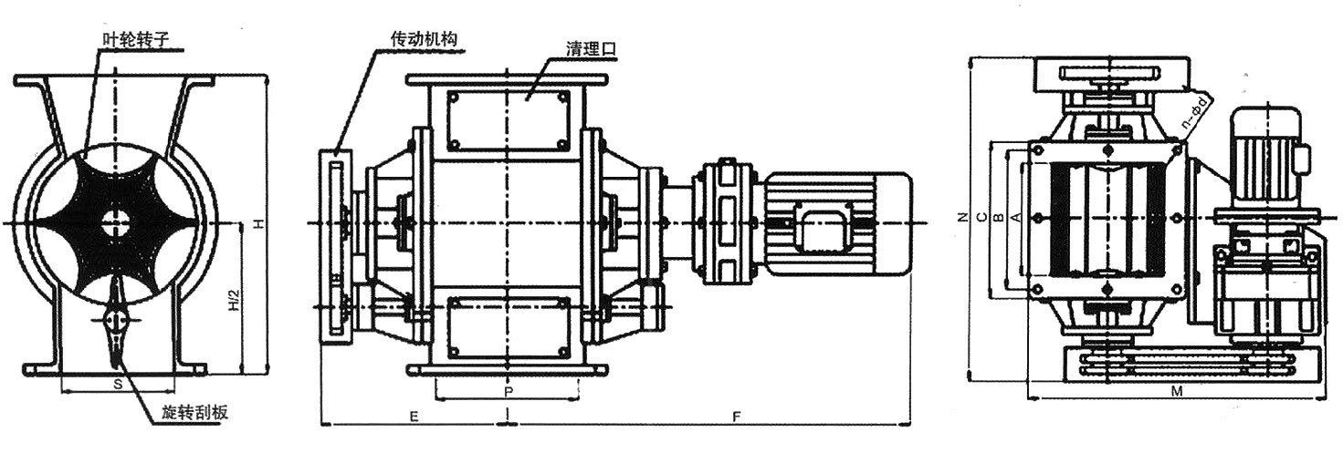
ZRB刮板式清理型
對于由于潮濕高水分黏附的粉粒料和由于靜電易附著流動性差的粉粒料,非常容易架橋或粘附填充在旋轉閥的葉片間空腔中不脫落排卸下來,將葉子空腔“糊”住,給氣流輸送和供料器操作帶來很大困難。本公司提供的刮落式旋轉供料閥,其特點是采用圓弧淺腔葉輪和一個能隨之轉動的刮板,旋轉的刮板能將附著在葉片上的料粒掛落清除,能解決粉粒料在葉片上粘接的問題。使定量供料和排料更加順暢,比較適用于容易導致堵塞的粉粒體,能提供150-450mm的各種尺寸的方形和圓形口徑。
對于由于潮濕高水分黏附的粉粒料和由于靜電易附著流動性差的粉粒料,非常容易架橋或粘附填充在旋轉閥的葉片間空腔中不脫落排卸下來,將葉子空腔“糊”住,給氣流輸送和供料器操作帶來很大困難。本公司提供的刮落式旋轉供料閥,其特點是采用圓弧淺腔葉輪和一個能隨之轉動的刮板,旋轉的刮板能將附著在葉片上的料粒掛落清除,能解決粉粒料在葉片上粘接的問題。使定量供料和排料更加順暢,比較適用于容易導致堵塞的粉粒體,能提供150-450mm的各種尺寸的方形和圓形口徑。
技術參數:
|
型號 |
每轉容積 L/Rev |
外形及安裝聯接尺寸 |
轉速 |
電機功率 |
||||||||||
|
A |
B |
C |
E |
F |
H |
Ρ |
S |
M |
N |
n-? d |
r/min |
KW |
||
|
ZRB-200 |
4 |
200 |
260 |
300 |
280 |
660 |
500 |
200 |
170 |
640 |
680 |
8-? 14 |
1-24 |
0.75~ |
|
ZRB-250 |
8 |
250 |
310 |
350 |
330 |
720 |
530 |
250 |
200 |
660 |
720 |
8-?14 |
1-24 |
1.1~ |
|
ZRB-300 |
12 |
300 |
360 |
400 |
360 |
750 |
580 |
300 |
260 |
720 |
760 |
12-? 14 |
1-24 |
1.5~ |
|
ZRB-350 |
20 |
350 |
410 |
460 |
390 |
780 |
630 |
350 |
300 |
780 |
800 |
12-? 14 |
1-24 |
2.2~ |
|
ZRB-400 |
30 |
400 |
470 |
520 |
420 |
810 |
680 |
400 |
350 |
820 |
880 |
12-?18 |
1-24 |
2.2~ |
|
ZRB-500 |
45 |
500 |
570 |
620 |
560 |
850 |
800 |
500 |
400 |
900 |
980 |
12-? 18 |
1-24 |
3.0~ |

地址:丹陽市導墅鎮東油村老預制場 電話:153-1256-1575
Copyright 版權所有 © 江蘇丹港機械制造有限公司
備案/許可證編號:蘇ICP備18003308號-2
技術支持:江蘇網博
全國服務熱線:
153-1256-1575
(工作時間:周一至周日9:00—18:00)